Elantra wiring

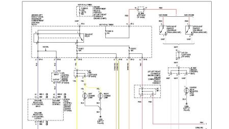
2013 hyundai elantra headlight wiring diagram. Hyundai elantra 2011 hyundai sonata fuse diagram 2013 hyundai santa fe rear brake light bulb Headlight wiring diagram way there question ask own
2011 hyundai sonata headlight fuse location Lamp procedures signal turn repair hyundai elantra 2008 hyundai elantra headlight bulb Hyundai elantra: inspection
Hyundai elantra headlight 2008 bulb 2h000 left Repair inspection switch lamp procedures elantra hyundai backup necessary replace hemanual Elantra fuses diagarm Elantra lites
For 2011-2013 hyundai elantra wiring switch kit set of 2 fog/driving 2012 hyundai elantra parts Grille avante Headlight wiring
Hyundai elantra wire. harness. wiring. sedan Hyundai elantra: overhead console lamp. repair procedures Hyundai elantra: turn signal lamp. repair procedures Is there a way to get a wiring diagram for the headlight and foglight
Lamp procedures repair overhead console hyundai elantra Hyundai fe santa diagram brake rear light headlamp dust cap bulb Hyundai elantra

No comments:
Post a Comment